Наша сеть партнеров Banwar
Харчування понад - яскравого світлодіода зниженою напругою.
«Блукаючи» по посиланнях з сайту на сайт, набрів за цією адресою: sam-master.at.ua.
Сайт, по-своєму цікавий, але не про це мова. Знайшов там схемку перетворювача для понад - яскравого світлодіода. Зацікавила мене ця тема.
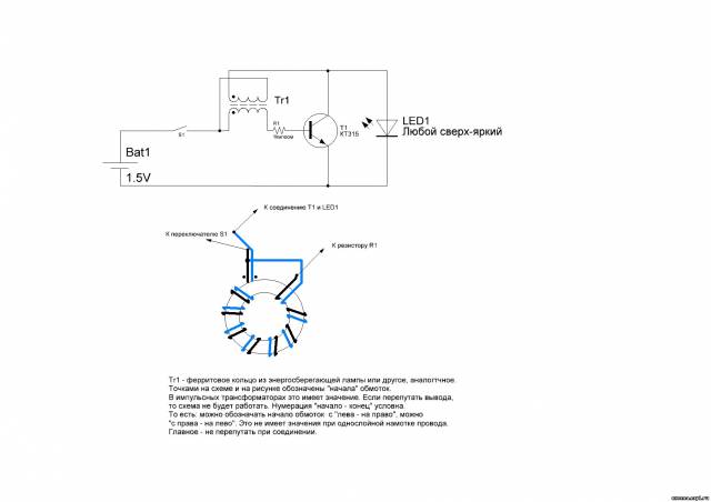
Схема пристрою після невеликого коректування:

Я і раніше замислювався, як би приладнати в конструкцію з низьковольтних харчуванням яскравий світлодіод. Так - я знаю, що більшість світлодіодів світять при напрузі
2,5 вольта - куди вже нижче ?! І, тим не менше, ідея мені здалася цікавою. Тим більше, що схема мізерно маленька! А я обожнюю «штучки», для виготовлення яких потрібно мінімум матеріалу, при максимальній користь! Єдина деталька, з якої можуть у кого-то виникнути проблеми - це ферритові кільце. Я використовував кільце імпульсного трансформатора з «згорілої в вугілля» енергозберігаючої лампи. Тим більше, що автор на тому сайті переконував в тому, що пристрій не критично до параметрів і розмірами кільця. Я робив все «на ходу» - з чого попало! Намотав кроссировочную одножильним проводом в поливиниловой ізоляції (такий провід використовується в «кручений парі») вісім витків в два дроти. Саме стільки вмістилося на моєму кільці до повного заповнення поверхні кільця під час намотування «виток до витка». Транзистора, який пропонував використовувати - 2 N3984, у мене не було, але він прекрасно замінюється «старим - добрим універсалом» - КТ315! Світлодіод використовував з запальнички з ліхтариком. Таких запальничок зараз «хоч греблю-гати» і хоча вони і вважаються «багаторазовими», але я їх не заправляю - сенсу немає, собі дорожче! А ось світлодіоди від них можна використовувати де завгодно. Конструкція вийшла мініатюрною і справді зручною.

Батарейку на фото не видно ?! Це «таблетка» - вона під імпульсним трансформатором!
Правда, робочий інтервал напруги живлення від 1,6 до 0,8 вольта. А в першоджерелі йшлося про те, що подібний перетворювач працездатний при коливаннях напруги від 1,0 до 0,5 вольта. Така розбіжність, я вважаю, в першу чергу через заміну транзистора. Адже я не підбирав транзистор за характеристиками! І обмотки імпульсного трансформатора намотав «навмання»! Щоб пристрій працював при 0,5 вольта, кількість витків повинно бути більше. Але мене така дурниця не турбує хоча б тому, що моя «збірка», на відміну від «першоджерела», не боїться підвищення напруги живлення до 1.6 вольта! Транзистор не гріється, так що можна сміливо збирати хоча б і ліхтарик з живленням від одного елеме6нта харчування! При напрузі 1.6 вольта споживаний струм дорівнює 35 міліампер. При зниженні напруги живлення до 0.9 вольта світлодіод світить так само яскраво, а струм споживання знижується до 10 міліампер. Схема зберігає працездатність і при подальшому зниженні харчування до 0,6 вольта, але яскравість світлодіода різко зменшується. Пробував живити пристрій від «батарейки - таблетки» з кварцових годин, але ... Закон збереження енергії ще ні хто не відміняв! Струм, силою в 35 міліампер, все таки завеликий для маленького елемента живлення і очікувати, що такий ліхтарик буде світити довго, не слід. Так, в загальному то, суть не в самій користь або марності схеми. Я вважаю, що цей виріб можна вважати першим кроком на шляху побудови «імпульсних джерел живлення».
Батарейку на фото не видно ?